日本大金氟树脂PFA塑料

日本大金氟树脂PFA塑料 你要找的型号就在下面:(请用Ctrl+F键查找牌号更快捷)
| 牌号 | 包装 | 特性 | 成品例 |
|---|---|---|---|
| AP201 | 25kg/袋 | 电气性,成型性 | 制成形状较复杂的注塑件,薄壁电线成型极细同轴线缆 |
| AP201SH | 25kg/袋 | 超纯系列 | 射出成形物、薄壁电线 |
| AP202 | 25kg/袋 | 电气性,成型性 | 高速薄壁成型的小规格线缆 |
| AP210 | 25kg/袋 | 电气性,成型性 | 复杂的注射成型及电线 |
| AP211SH | 25kg/袋 | 超纯系列 | 半导体用单晶片载体、半导体用接头 |
| AP215SH | 25kg/袋 | 超纯系列 | 适用于大型晶片花篮的注射成型 |
| AP230 | 25kg/袋 | 优异的耐开裂性 | 耐腐蚀衬料、化学管子、膜 |
| AP231SH | 25kg/袋 | 超纯系列 | 超高纯度型,半导体用配管 |
| AF-0012 | 1150mm*50m/100m/200m | 不粘性,透明性,耐热性,耐候性,耐化学品 | |
| AF-0025 | 1150mm*50m*100m*200m 1220mm*50m*100m*200m | 不粘性,透明性,耐热性,耐候性,耐化学品 | print sheet的离型膜 |
| AF-0050 | 1150mm*50m*100m*200m 1220mm*50m*100m*200m | 不粘性,透明性,耐热性,耐候性,耐化学品 | print sheet的离型膜 |
| AF-0100 | 1150mm*50m/100m/200m | 不粘性,透明性,耐热性,耐候性,耐化学品 | |
| AF-0250 | 1250mm*20m/40m/80/100m/200m | 不粘性,透明性,耐热性,耐候性,耐化学品 | 内衬及管接头 |
| AF-0500 | 1250mm*20m/25m/50m/80m | 不粘性,透明性,耐热性,耐候性,耐化学品 | 内衬及管接头 |
| AF-1000 | 1200mm*15m/20m | 不粘性,透明性,耐热性,耐候性,耐化学品 | 内衬及管接头 |
| AF-1500 | 1250mm*15m/20m/25m | 不粘性,透明性,耐热性,耐候性,耐化学品 | 内衬及管接头 |
| AF-2400 | 1250mm*15m | 不粘性,透明性,耐热性,耐候性,耐化学品 | 内衬及管接头 |

PFA塑料为少量全氟丙基全氟乙烯基醚与聚四氟乙烯的共聚物。熔融粘结性增强,溶体粘度下降,而性能与聚四氟乙烯相比无变化。此种树脂可以直接采用普通热塑性成型方法加工成制品。适于制作耐腐蚀件,减磨耐磨件、密封件、绝缘件和医疗器械零件,高温电线、电缆绝缘层,防腐设备、密封材料、泵阀衬套,和化学容器。

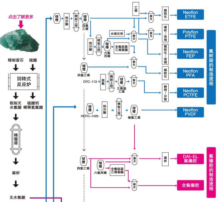
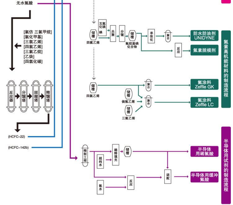
日本大金氟树脂PFA塑料生产过程:


日本大金氟树脂PFA塑料性能:
1、 为少量全氟丙基全氟乙烯基醚与聚四氟乙烯的共聚物。熔融粘结性增强,溶体粘度下降,而性能与聚四氟乙烯相比无变化。此种树脂可以直接采用普通热塑性成型方法加工成制品。
2、长期使用温度-196--260度,有卓越的耐化学腐蚀性,对所有化学品都耐腐蚀,摩擦系数在塑料中低,还有很好的电性能,其电绝缘性不受温度影响,有“塑料王”之称。
3、其耐化学药品性与聚四氟乙烯相似,比偏氟乙烯好。
4、其抗蠕变性和压缩强度均比聚四氟乙烯好,拉伸强度高,伸长率可达100-300%。介电性好,耐辐射性能优异。阻燃性达V0级。
5、适于制作耐腐蚀件,减磨耐磨件、密封件、绝缘件和医疗器械零件。
6、高温电线、电缆绝缘层,防腐设备、密封材料、泵阀衬套,和化学容器。
成型性能
1.结晶料,吸湿小。可采用通常得热塑性塑料得加工方法加工成制品。
2.流动性差,极易分解,分解时产生腐蚀气体。宜严格控制成型温度不要超过475度,模具应加热至150-200度,浇注系统对料流阻力应小。
3.半透明粒料,注塑、挤出成型。成型温度350-400度,475度以上容易引起变色或发生气泡。并注意脱模会较困难。
4、因熔融的材料对金属有腐蚀作用,长期生产,模具需要电镀铬处理。

热门产品
-
SHPP_特创工程塑料PPO_PEI(聚醚酰亚胺)
特创工程塑料(上海)有限公司 英文名称 SHPP(Shanghai) Co., Ltd 。 特创工程塑料(上海)有限公司主要经营原SABIC特材业务:NORYL PPO / ULTEM PEI / LNP。 SHHP简介: SHPP全称-SHHP(ShangHai)Co., LTD.
浏览量:2235 -
阿科玛(Pebax)PEBA|PA12原料
阿科玛成立于2004年,总部位于法国巴黎,是一家全球领先的特种化学品生产企业。集团旗下共有三大业务部门:高性能材料,工业特种产品,涂料解决方案,每个业务部门各有四个业务
浏览量:1894 -
EXTEM_TPI_SABIC(沙伯基础)热塑性聚酰亚胺树···
EXTEM|TPI|SABIC(沙伯基础)热塑性聚酰亚胺树脂由非晶态热塑性聚酰亚胺(TPI)和聚醚酰亚胺(PEI)树脂组成的EXTEM新型树脂组合提供了一种强大的组合,其优异的耐热性可达311℃Tg;高强度、高刚度
浏览量:1291 -
韩国SK化学ECOZEN系列PETG共聚酯原料
SK综合化学在1970年作为韩国首家石化厂投入生产以来,历经40年的不断创新和技术改革,引领着大韩民国石化产业的发展。 SK综合化学在稳定经营现有项目的同时,积极参与项目开发和
浏览量:1145 -
日本旭硝子Fluon|ETFE|PTFE原料
从基础化学品到高机能氟化学品、提供多种多样的产品和解决方案、为您创造富裕、安全、安心、环保的生活环境,世界顶级的技术力与广泛齐全的产品群,产品种类广泛、齐全,以全
浏览量:1121 -
沙伯基础创新SABIC_Noryl系列PPO_NORYL系列···
相关词条 SABIC Noryl PPO介绍 SABIC Noryl PPO现货 SABIC Noryl PPO特性 SABIC Noryl PPO用途 SABIC Noryl PPO介绍: SABIC Noryl聚苯醚(PPO)中文名又叫聚苯醚b,是世界五大通用工程塑料之一。它具有刚性大、
浏览量:1090 -
日本可乐丽Genestar耐高温尼龙PA9T工程塑料
日本可乐丽Genestar耐高温尼龙PA9T工程塑料 电气电子用途 各等级的说明 <Genestar>电气电子用等级根据最近不断薄壁化、窄间距化的SMT连接器的形状和要求性能备有各种等级。 标准等级
浏览量:1037 -
陶氏杜邦SURLYN(离子聚合物)_沙林树脂
陶氏杜邦SURLYN(离子聚合物)-沙林树脂广泛用于各种柔性和刚性包装应用。探索这些离聚物可以将您的包装应用程序带到何处? 外观良好、品质卓越、功能多样。毫无疑问,SURLYN 离聚物
浏览量:1027 -
韩国SK化学EPDM三元乙丙橡胶塑料
SK综合化学在1970年作为韩国首家石化厂投入生产以来,历经40年的不断创新和技术改革,引领着大韩民国石化产业的发展。 SK综合化学在稳定经营现有项目的同时,积极参与项目开发和
浏览量:998 -
解决PC材料各类技术问题
您目前是否在找PC材料?还是材料加工中遇到问题?您目前是否在找解决各种开裂材料?还是材料加工中遇到问题? 目前我公司的PC有耐磨、耐油,高透明,高弹性、耐化学、耐高温、
浏览量:988 -
红外线穿透PMMA塑料
究竟什么是红外线穿透PMMA原料呢?这就是大家需要考虑的问题。当您具备这些PMMA原料认知后,就可根据自己的工业生产需要,进行有目的的塑料类型选择。 生活中,大家随处都能看到
浏览量:983 -
荷兰DSM|Akulon|PA6原料
113年荷兰皇家帝斯曼集团以科技为立足之本,在全球范围内活跃于健康、营养和材料领域。帝斯曼拥有生命科学和材料科学领域的专长,并运用两者的独特结合不断推动经济繁荣、环境
浏览量:967 -
伊士曼Eastar_PETG共聚多酯原料
伊士曼化工公司于1994年进入中国市场,此后通过自身增长和兼并收购在中国快速发展业务。2014年,伊士曼在上海的新中国区总部大楼正式落成启用。伊士曼亚太区销售额占公司2017年总
浏览量:923 -
荷兰帝斯曼DSM|NOVAMID聚酰胺尼龙PA6原料
荷兰帝斯曼DSM(原日本三菱)NOVAMID聚酰胺尼龙PA6塑料 订购说明: 1.公司秉承以诚为本,信誉至上的经营宗旨,【诚信第一】【服务第一】【品质第一】创立了自己的经营理念,在客户群树
浏览量:911
推荐产品
-
透明PP(以聚丙烯为基材的高透光聚合物)
透明PP是一种以聚丙烯为基材的高透光聚合物,是由丙烯聚合而成的半结晶性聚合物。相比于PE,透明PP更加坚硬,熔点更高,而且具有非常高的透明度,能够清晰地展示内部物品的外观,适合用于制造需要展示外观的产品。使用茂金属催化剂生产的透明PP树脂具有高透光率和高透明度,与PS相当,并为PP替代其他材料和开辟新领域提供了
-
耐高温尼龙(以聚酰胺为基材的高耐热共聚物)
耐高温尼龙是一种以聚酰胺为基材的高耐热共聚物,耐高温尼龙热变形温度高达300度以上,连续使用温度可达170度能满足短期和长期的热性能,广的温度范围内和高湿度环境中保持其优越的机械特性-强度、硬度、耐疲劳性及抗蠕变性。增韧级别结合优越的韧度与一定范围的硬度和柔性,扣件中要求一次性使用的刚性、以及重复性使用中
-
防静电LCP_不吸尘不掉粉
防静电LCP是一种工业化液晶聚合物,添加碳黑或者碳纤维CF和其他助剂改性成的,表面电阻率是10的9次方,在同种材料或其他类似材料相互摩擦或分离时,具有产生电荷量比较小的材料,主要用途在电子、电器领域中作集成电路、晶片、传感器护套等精密电子元件。防静电LCP有以下几点特性:1、防静电:不吸尘不掉粉。2、耐磨损性良好
-
(苏威)索尔维Veradel系列PESU聚醚砜塑料
美国(苏威)索尔维在过去十年间坚持不懈地推动阳光动力号项目的进展。在阳光动力号出发完成它的环球之旅之际,我们非常高兴能继续为这项壮举所代表的愿景通过可改变世界的创新
-
PP加滑石粉矿物填充PP不缩水不变形
PP加滑石粉矿物填充,PP不缩水不变形,可以达到尺寸稳定,矿物增强pp系列材料(pp加滑石粉)具有良好的流动性和力学性能,滑石粉大量用于PP的填充改性。聚丙烯PP中添加少量的滑石粉时,能起到成核剂的作用,细化晶粒、提高聚丙烯的结晶性,从而使聚丙烯各项机械性能提高,透明聚丙烯优异的透明性和表面光泽度可与典型的透明材
-
耐磨PP(以聚丙烯为基材的自润滑聚合物)
耐磨PP是一种以聚丙烯为基材的自润滑聚合物,耐磨PP的润滑性通过各种润滑剂获得固有润滑性,包括聚四氟乙烯(PTFE),有机硅,芳纶纤维,石墨,二硫化钼和其他添加剂,显着降低塑料部件在其他表面上移动的摩擦和磨损率,无论接触是塑料对金属还是塑料对塑料,可以延长产品寿命,减少或消除运动部件的吱吱声和其他噪音,耐磨
-
日本东丽Toray_TORAYCON_PBT树脂
TORAYCON 聚酯(PBT)树脂由东丽利用其在聚酯聚合和树脂加固化合物领域的专业技术开发而成,是一种基于聚酯纤维的热塑性树脂。由于具有持久耐热性、耐化学性、耐候性以及电气特性
-
阻燃TPV_防火TPV_94V0材料
阻燃TPV就是属于防火热塑性弹性体一类,一般指的是PP+EPDM的共混体系,是塑料与橡胶性能的结合体,热塑性硫化橡胶采用了动态全硫化技术制备出来的目前最先进的聚烯烃类热塑性弹性体,与一般的聚烯烃类热塑性弹性体相比,TPE在常温下被环已烷萃取出的橡胶量很少,一般可少于3%。TPV一般指热塑性硫化橡胶,主要由二部分组成,
-
电镀级ABS_可电镀ABS_喷油ABS
电镀级ABS、可电镀ABS、喷油ABS是一种ABS塑料,也是丙烯腈(A)、丁二烯(B)、苯乙烯(S)三种单体的三元共聚物,三种单体相对含量可任意变化,制成各种树脂,可镀亮黑镍及金色等七彩镀种,ABS电镀不仅可以实现很好的金属质感,而且能减轻制品重量,在有效改善塑料外观及装饰性的同时,也改善了其在电、热及耐蚀等方面的性能。同
-
抗蠕变PEEK(以聚醚醚酮为基材的抗变形特种工程塑料)
抗蠕变PEEK是一种以聚醚醚酮为基材的抗变形特种工程塑料。这种坚硬的不透明(灰色)材料具有抗蠕变,抗变形,尺寸稳定性能,它广泛用于航空航天,汽车,电气,医疗等应用,由于其坚固性,PEEK用于制造物品,包括轴承,活塞部件,泵,HPLC柱,压缩机板阀和电缆绝缘。抗蠕变PEEK抗变形尺寸稳定聚醚醚酮特性:抗蠕变好,抗变形
















